SERVICE INFORMATION SYSTEM
Wiring diagrams
Body Exterior
Glazing - Exterior
Lights
Wipers and Washer System
Washer System
DA-WD-A07401-01 - Wash Wipe
Chassis
Powertrain
Electrical
Interior
Customer Service
Special advice
Tools/Equipment
Fluids, lubricants, adhesive
Torque settings
Repair time
Instructions
Content
Description
Legend
Location
Dataflow
Diagram
PIN
Location
Diagram
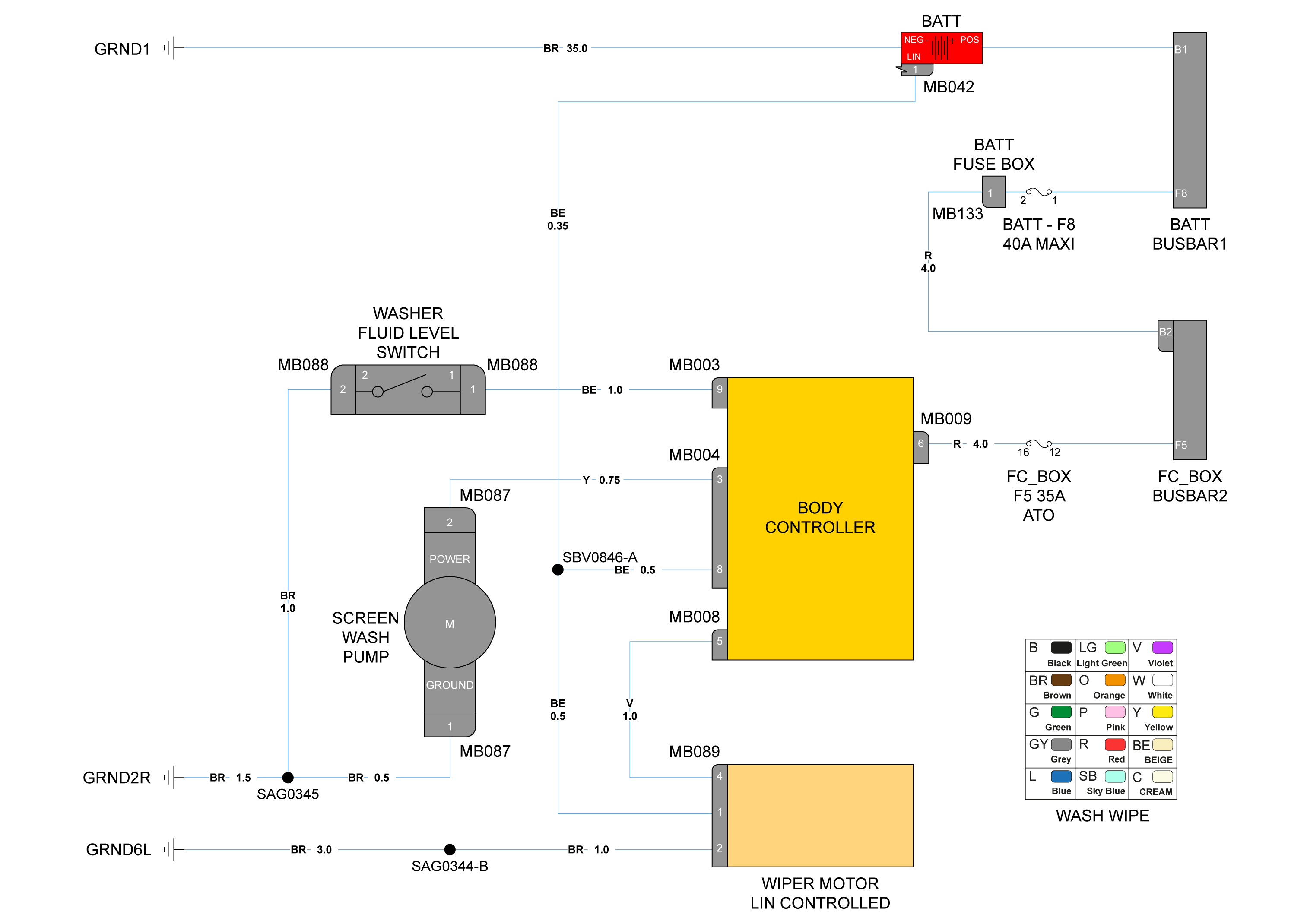
Body Exterior / Wipers and Washer System / Washer System / DA-WD-A07401-01 - Wash Wipe
DA-WD-A07401-01 - Wash Wipe
-
+
DA-WD-A07401-01 - Wash Wipe
FB_F5_14C
Fuse 5 - Facia Fuse Box - BCU (Body1) - 35A ATO
PIN
Location
BATT_F8_14C
Fuse 8 - Battery Fuse Box - Facia Fuse Box Power Feed 2 - 40A Maxi
PIN
Location
MB009_14C
Body Controller - BC / SBC - Connector 9
PIN
Location
MB089_14C
Motor - Windscreen Wiper
PIN
Location
GRND6L_14C
Ground - Front Left Stowage Bin Casting
PIN
Location
MB008_14C
Body Controller - BC / SBC - Connector 8
PIN
Location
MB133_14C
Battery Fuse Box - Connector
PIN
Location
MB042_14C
Battery LIN
PIN
Location
MB004_14C
Body Controller - BC / SBC - Connector 4
PIN
Location
MB003_14C
Body Controller - BC / SBC - Connector 3
PIN
Location
MB088_14C
Sensor - Washer Bottle Fluid Level
PIN
Location
MB087_14C
Pump - Windscreen Wash
PIN
Location
GRND1_14C
Ground - Battery - Front Subframe Base
PIN
Location
GRND2R_14CGRND2R_14C
Ground - Front Left Stowage CastingGround - Front Left Stowage Casting
PIN
LocationLocation
V. 1.1
© 2011 | McLaren
Note